Ningún producto
Estos precios se entienden IVA incluído
Grasa MFTrain - lubricante de Teflon® semi-líquida especial para modelismo. 12gr.
Faldon decorativo para locomotora 2100 Comsa N13222. Escala N - Mftrain
Faldon decorativo para locomotora 2100 Verde N13210. Escala N - Mftrain
Faldon decorativo para locomotora 2100 Taxi N13214. Escala N - Mftrain
Faldon decorativo para locomotora 2100 Mir azul N13219. Escala N - Mftrain
Faldon decorativo para locomotora 2100 Mir amarilla N13221. Escala N - Mftrain
Cada set contiene: - 2 Armarios grandes - 2 Armarios medianos- 2 Armarios pequeños Compañía: Renfe - Época: V Escala N
Motores de decoración para maquetas, no son funcionales. Compañía: Renfe Época: VI Escala N
Cada set contiene 2 unidades de las 3 piezas diferentes. Compañía: Renfe Época: VI Escala N
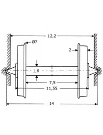
Eje Locomotora SIN Aros de adherencia. 1 und.Compatible para:- Locomotora 333.3- Locomotora 2100 - 321 Eje completo con engranje. Escala N
Eje Locomotora CON 2 Aros de adherencia. 1 und.Compatible para:- Locomotora 333.3- Locomotora 2100 - 321 Eje completo con engranje. Escala N
DISPONIBLE Con posibilidad de separar los imanes para ganar unos milímetros de separación entre vagones, por si fuera necesario. Enganche NEM Escala N